1 引言
近年來可編程序控製器(plc)以及變頻調速技術日益發展,性能價(jia) 格比日益提高,並在機械、冶金、製造、化工、紡織等領域得以普及和應用。為(wei) 滿足溫度、速度、流量等工藝變量的控製要求,常常要對這些模擬量進行控製,plc模擬量控製模塊的使用也日益廣泛。
通常情況下,變頻器的速度調節可采用鍵盤調節或電位器調節方式,但是,在速度要求根據工藝而變化時,僅(jin) 利用上述兩(liang) 種方式則不能滿足生產(chan) 控製要求,因此,我們(men) 須利用plc靈活編程及控製的功能,實現速度因工藝而變化,從(cong) 而保證產(chan) 品的合格率。
2 變頻器簡介

交流電動機的轉速n公式為(wei) :
由轉速公式可見,改變三相異步電動機電源頻率,可以改變旋轉磁通勢的同步轉速,達到調速的目的。額定頻率稱為(wei) 基頻,變頻調速時,可以從(cong) 基頻向上調(恒功率調速),也可以從(cong) 基頻向下調(恒轉距調速)。因此變頻調速方式,比改變極對數p和轉差率s兩(liang) 個(ge) 參數簡單得多。同時還具有很好的性價(jia) 比、操作方便、機械特性較硬、靜差率小、轉速穩定性好、調速範圍廣等優(you) 點,因此變頻調速方式擁有廣闊的發展前景。
3 plc模擬量控製在變頻調速的應用
plc包括許多的特殊功能模塊,而模擬量模塊則是其中的一種。它包括數模轉換模塊和模數轉換模塊。例如數模轉換模塊可將一定的數字量轉換成對應的模擬量(電壓或電流)輸出,這種轉換具有較高的精度。
在設計一個(ge) 控製係統或對一個(ge) 已有的設備進行改造時,常常會(hui) 需要對電機的速度進行控製,利用plc的模擬量控製模塊的輸出來對變頻器實現速度控製則是一個(ge) 經濟而又簡便的方法。

圖1 對變頻器進行速度控製的信號輸出
下麵以三菱fx2n係列plc為(wei) 例進行說明。同時選擇fx2n-2da模擬量模塊作為(wei) 對變頻器進行速度控製的控製信號輸出。如圖1所示,控製係統采用具有兩(liang) 路模擬量輸出的模塊對兩(liang) 個(ge) 變頻器進行速度控製。

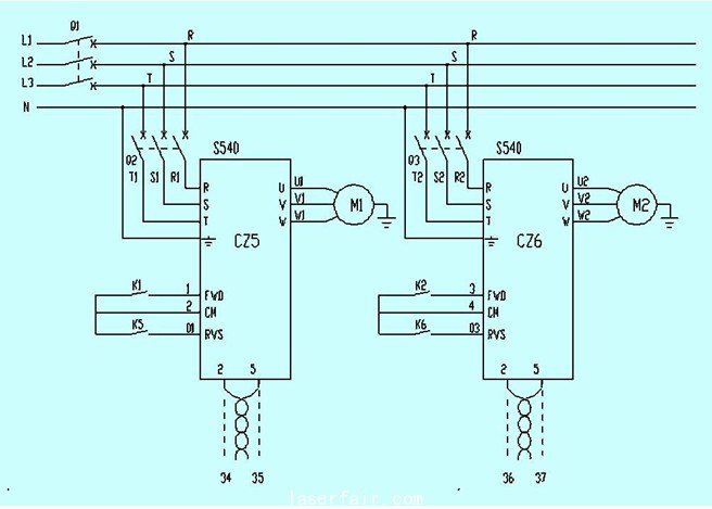
圖2 變頻器的控製及動力部分接線圖
圖2為(wei) 變頻器的控製及動力部分,這裏的變頻器采用三菱s540型,plc的模擬量速度控製信號由變頻器的端子2、5輸入。
轉載請注明出處。







相關文章
熱門資訊
精彩導讀



















關注我們

