窄線寬連續激光器廣泛應用於(yu) 原子、分子以及物理光學領域,在精密測量設備中有著舉(ju) 足輕重的作用。那些並不帶有波長穩頻技術的激光器,其短時間穩定性不適合很多應用。本文檔將會(hui) 給您介紹一種簡單而強大的主動穩頻技術,控製並且穩定連續激光的波長,使其成為(wei) 高精細光學諧振腔。精密光譜學和原子分子操控技術得益於(yu) 該穩頻技術,並且在過去的幾十年發展迅猛。
影響激光器頻率穩定性的因素有很多:溫度變化、機械震動、大氣變化、磁場等等。穩頻的本質是保持諧振腔光程長度的穩定性。
下文中我們(men) 會(hui) 介紹如何搭建激光穩頻的閉環控製係統及其特點,和所需要的設備。
閉環控製基礎
一個(ge) 基本的反饋控製係統如下圖描述。激光器輸出的一部分光被探測器采集(鑒頻器),輸出誤差信號,伺服控製器分析采樣,並與(yu) 標準頻率對比,自動調節腔長,將激光頻率恢複到特定的標準頻率上,從(cong) 而實現穩頻的目的。

不同的激光器頻率固有噪音以及線寬差異很大,主要依賴於(yu) 諧振腔的設計,增益介質的特性,以及一些其他參數,比如固體(ti) 激光器的泵浦源的波動,機械振動等等。在半導體(ti) 激光器係統中,較大的自發輻射速率也會(hui) 帶來頻率/相位的噪音。
為(wei) 了探測到激光器的頻率的波動,就需要一個(ge) 非常穩定的參考頻率做比較。常用的做法是利用一個(ge) 高精細結構的法布裏—珀羅腔,可以提供一定時間內(nei) 的穩定性。法布裏—珀羅腔的共振頻率(Vm)取決(jue) 於(yu) 腔長L,可以表述為(wei) :Vm = m(c/2L)。諧振腔的機械結構隨著時間會(hui) 有漂移(長時間穩定不會(hui) 很好),但是可以提供很好的短期穩定性(~秒)。為(wei) 了將激光器的頻率緊緊地鎖在法布裏—珀羅腔的共振頻率上,必須要能快速的探測到該共振信號,並且具有較高的信噪比SNR。這是反饋係統中最具有挑戰的地方,而且會(hui) 決(jue) 定整個(ge) 係統的性能。

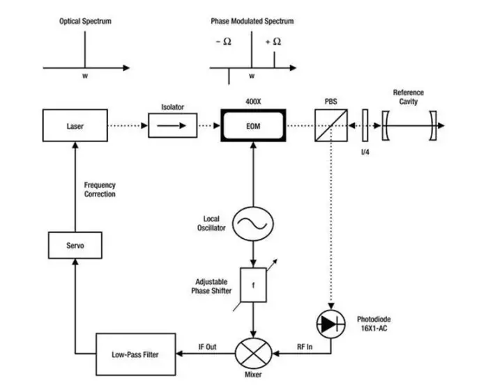
PDH實驗圖,EOM是電光調製器,
PBS:偏振分光鏡,1/4:四分之一波片
激光器的頻率和參考共振頻率的差異經過鑒頻器會(hui) 轉化為(wei) 電壓信號,鑒頻器的轉換效率D的單位為(wei) V/Hz。鑒頻器輸出的電壓,或者稱為(wei) “誤差信號”,可以有好幾種方法獲得。最好的辦法是用F-P腔的相位特性穩頻(Pound-Drever-Hall,PDH)。首先利用電光調製器對激光做相位調製,在激光載波兩(liang) 側(ce) 產(chan) 生兩(liang) 個(ge) 振幅相等,相位相反的邊頻(忽略高階邊頻)。F-P腔完全與(yu) 入射激光共振時,兩(liang) 邊頻被F-P腔反射的強度相等,它們(men) 與(yu) 載頻產(chan) 生拍頻後的信號大小相等,相位相反,故完全抵消,輸出誤差信號為(wei) 零。如果入射激光與(yu) F-P腔不完全共振,兩(liang) 邊頻被F-P腔反射的強度不等,拍頻的信號相位相反,但強度不等,故輸出誤差信號不為(wei) 零。誤差信號經過校正電路輸出到腔長控製器中,從(cong) 而調節激光器諧振腔。
![N8}[FJWY])B9%NORU9E20)L](https://www.invest-un.com/file/upload/201606/21/16141246190.png)
PDH穩頻控製中需要使用要求比較苛刻的產(chan) 品,New Focus可以提供絕大部分,包括相位調製器(New Focus 型號4001或者4003),低噪音光電探測器(型號16x1-AC係列)。
小結
上述穩頻方法可應用於(yu) New Focus可調諧半導體(ti) 激光器TLB-7100,TLB-6700,TLB-6800係列。根據上述方法,自己搭建穩頻係統,可以在一定程度上提高頻率穩定性,但是僅(jin) 僅(jin) 作為(wei) 一種穩頻的開始。如果您需要讓激光器達到更優(you) 越的性能,那麽(me) 您需要考慮更多因素,如更高端的伺服控製係統,更具穩定性的參考諧振腔結構等。
轉載請注明出處。







相關文章
熱門資訊
精彩導讀



















關注我們

