在汽車工業(ye) 中,白車身總成的車身功能尺寸是衡量汽車產(chan) 品質量的關(guan) 鍵參數,必須嚴(yan) 格控製。隨著工業(ye) 機器人在汽車製造中的成功使用,使得機器人和激光檢測技術的結合構建了一個(ge) 機器人激光檢測係統。
對於(yu) 汽車白車身這樣的大批量製造的大型產(chan) 品,怎樣有效地控製白車身的車身尺寸從(cong) 而滿足顧客的要求,一直是奇瑞公司白車身質量控製的追求。自從(cong) 奇瑞公司從(cong) 又快又好的戰略轉變到又好又快的發展戰略,在有效地控製了白車身強度質量同時, 車身功能尺寸質量的控製被提到了空前的高度上,而機器人激光檢測技術的運用為(wei) 奇瑞公司白車身尺寸質量控製提供了保證。
檢測技術的發展
從(cong) 檢具的運用,到三坐標測量機的應用,到目前機器人激光檢測設備的開發和應用,車身尺寸檢測技術就呈現出非接觸、高智能、高精度和高效率的發展趨勢。
自以光學坐標測量機為(wei) 代表的激光測量技術的出現,使得汽車車身製造尺寸的100%在線檢測成為(wei) 現實,而機器人激光在線檢測技術就能使車身焊裝過程中各種故障的檢測更為(wei) 有效、快捷和準確,而且還為(wei) 監控工藝裝備的工作狀況、預報其可能故障提供了實現基礎。
機器人激光檢測係統工作原理
按照激光檢測係統承載方式可以分為(wei) 固定式激光檢測係統和機器人激光檢測係統。固定式激光檢測係統和機器人檢測係統原理大致相同,固定式最大的優(you) 勢是可以檢測到機器人手臂無法達到的部位。下麵,將著重介紹機器人激光檢測係統。
1. 機器人激光檢測係統組成部分
機器人激光檢測係統由3部分組成,即一個(ge) 機器人、一套激光檢測係統及一個(ge) 終端數據處理計算機。圖1為(wei) 機器人工作示意圖。

圖1 機器人正在工作
激光檢測係統為(wei) 一個(ge) 非接觸式三維視覺傳(chuan) 感器裝置組成,它由2個(ge) 在45°方向對稱配置的激光傳(chuan) 感器和一個(ge) 位於(yu) 中心線上的CCD攝像機組成。激光傳(chuan) 感器用來檢測被測工件型麵上某一點在空間的位置;攝像機用於(yu) 確定工件型麵上1個(ge) 孔的大小和形狀(見圖2)。一般來說,3點即可確定1個(ge) 圓孔,但是在檢測時為(wei) 了保證孔的大小形狀可以多選取一些點,這裏我們(men) 可以選取30點。對於(yu) 不規則的物體(ti) 通過尋找中心,特征邊或角從(cong) 而確定物體(ti) 的形狀。

圖2左 激光檢測示意圖
圖2 右 激光檢測示意圖
終端數據處理係統由PC計算機、交換機及數據處理軟件組成。對於(yu) 傳(chuan) 輸回來的白車身測點坐標數據,使用VECTOR數據處理軟件進行車身坐標偏差處理。圖3為(wei) 終端數據處理係統。

圖3 終端數據處理係統
2. 白車身測點坐標的計算
當機器人開始測量後,按預先設定的測量路徑帶動視覺傳(chuan) 感器運動,依次使測點進入到傳(chuan) 感器的測量區域內(nei) ,由視覺傳(chuan) 感器和測量主機完成對圓孔邊緣測量。

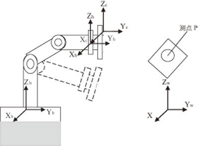
圖4 機器人坐標測量係統圖
如圖4所示,機器人激光檢測係統中存在4個(ge) 坐標係。其中包括,與(yu) 機器人相關(guan) 的2個(ge) 坐標係,安裝機器人時確定的基坐標係統Ob-XbYbZb和機器人末端關(guan) 節坐標係Oh-XhYhZh,還有車身坐標係Ow-XwYwZw和視覺傳(chuan) 感器測量坐標係Oc-XcYcZc。測量的結果即為(wei) 測點P在車身坐標Ow-XwYwZw下的坐標PW。從(cong) 圖4可以看出
PW=Z×B×X×PC (1)
式中:PC為(wei) 被測點P在視覺傳(chuan) 感器測量坐標係下的坐標值;X為(wei) 機器人手眼關(guan) 係,即機器人末端關(guan) 節坐標係與(yu) 視覺傳(chuan) 感器測量坐標係之間的變換關(guan) 係;B為(wei) 機器人末端關(guan) 節坐標係與(yu) 機器人基坐標係之間的坐標變換關(guan) 係;Z為(wei) 機器人基坐標係與(yu) 白車身坐標係之間的位置變換關(guan) 係。
式(1)中,由於(yu) 視覺傳(chuan) 感器與(yu) 機器人末端關(guan) 節剛性連接,測量過程中兩(liang) 者相對位置不變,所以X在測量中恒定;同樣,機器人基坐標係相對於(yu) 白車身坐標係的位置關(guan) 係也是不變的,即值恒定,因此,通過現場標定可以將X和Z在測量前計算出。B可以由機器人的正向運動學模型及各個(ge) 關(guan) 節變量值獲得。通過以上分析,隻要得到檢測點在視覺探頭傳(chuan) 感器測量坐標係下的坐標PC,根據式(1),即可計算出P點在車身坐標係下的坐標PW。
3. 現場標定
目前,對攝像機和激光視覺傳(chuan) 感器的標定進行了大量的研究,並建立了多種成熟的算法,這裏我們(men) 采用分步求取獲得。

圖5 分步法標定示意圖
假如機器人分別從(cong) 不同角度對某一點檢測2次,見圖5。則存在姿態1為(wei)
1/Z×PW1=B1×X×PCl (2)
姿態2為(wei)
1/Z×PW2=B2×X×PC2 (3)
式中:PW1和PW2為(wei) 同一個(ge) 檢測點在車身坐標係下的坐標。因此PW1=PW2,即
B1×X×PCl=B2×X×PC2 (4)
式中:B1和B2根據機器人的運動模型是已知的;PCl和PC2是視覺傳(chuan) 感器的測量結果。顯然,如果控製點數大於(yu) 3 個(ge) ,且控製點不在同一條直線上,X就可以計算出,再根據式(1),可計算出Z。
機器人激光檢測係統運用
下麵介紹的機器人檢測主要側(ce) 重於(yu) 白車身,四門兩(liang) 蓋的檢測同樣可以使用。不同之處在於(yu) 兩(liang) 者載具,前者使用滑撬,後者需使用專(zhuan) 用的吊架。
機器人激光檢測係統實際運用中涉及到測點選擇,檢測用於(yu) 比較的白車身“標準件”選用,機器人激光檢測係統的校正功能及檢測係統的柔性化設計,以下將從(cong) 以下方麵一一闡述。
1. 白車身測點的布置原則
在車身生產(chan) 過程中測量的目的是確定過程控製和不斷改進,麵向車身工藝過程穩定性控製、功能控製以及焊接過程中的故障診斷。按照測點功能的不同,可以將常見的車身測點分成3類:主要定位點檢測點、關(guan) 鍵產(chan) 品特征檢測點和關(guan) 鍵控製特征檢測點。
(1)主要定位點檢測點布置。車身的生產(chan) 過程中使用大量工裝夾具來完成對板件的定位並夾緊,確保板件在每次焊接時空間狀態保持一致,以保證車身尺寸。但是在生產(chan) 過程中,定位銷及定位塊的磨損及鬆動導致定位基準發生變化,影響車身的尺寸。
主要定位檢測點能夠顯著反映其定位狀態,這些點的設立將有助於(yu) 對由於(yu) 定位或基準位置發生偏移而產(chan) 生的製造偏差進行識別和診斷,例如:前/後縱梁定位孔直接影響整個(ge) 車身骨架的尺寸。#p#分頁標題#e#
(2)關(guan) 鍵產(chan) 品特征檢測點的布置。轎車外觀形象是否符合人們(men) 的審美要求將最先確立顧客對轎車的滿意程度。關(guan) 鍵產(chan) 品特征檢測點最先要保證的就是影響轎車外觀形象的關(guan) 鍵部位的尺寸要求,具體(ti) 地講就是影響轎車整車外部型麵的配合間隙及配合平整度要求。車身關(guan) 鍵產(chan) 品特征檢測點布置要根據整車設計時的配合規範來進行。一般來說,這些關(guan) 鍵特征檢測點主要分布在車身的以下安裝點,如左/右前門安裝孔、左/右後門安裝孔、發蓋鉸鏈安裝孔及後行李箱艙蓋鉸鏈安裝孔。
(3)關(guan) 鍵控製特征檢測點的布置。關(guan) 鍵控製特征點是白車身檢測點中數量占絕對多數的一類點,因此,它們(men) 的合理分布可以有效地減少采樣點數,而且能正確反映工件在焊裝過程中的狀態,以便進行夾具故障識別與(yu) 診斷。對每一個(ge) 關(guan) 鍵產(chan) 品特征檢測點要相應地布置多少個(ge) 關(guan) 鍵控製特征檢測點,以及這些點的位置一般位於(yu) 工裝難以準確定位的板件上等。這些點的確定主要依靠經驗積累,而且需要對生產(chan) 實際作出分析了解。在此基礎上,根據裝配誤差積累的情況來確定它們(men) 的分布,對於(yu) 累積裝配偏差大而且容易超差的區域,要多布置一些關(guan) 鍵控製特征檢測點。
2. 機器人激光檢測係統偏差的校正
機器人激光測量采用比較測量的方式,故需要準備一個(ge) 用於(yu) “置零”的標準車身進行測量比較。同時它不同於(yu) 三坐標測量機“標尺”般的精準,機器人測量係統本身有可能存在誤差,再加上與(yu) 其比較的標準件本身存在誤差,如果發生積累,將直接影響對故障判定,所以必須對以上誤差進行消除。
(1)機器人自校正功能。機器人進行白車身的自動焊接時,由於(yu) 機器人運行產(chan) 生熱量易影響到機器人的運行路線精度,而機器人本身坐標係產(chan) 生的微小偏差將直接影響到測點在車身的坐標係,因此每台探測機器人細微偏差靠現場溫度補償(chang) 小球在機器人坐標係中的坐標偏差量來自動補償(chang) 。
可編程控製程序(PLC)可以設定機器人檢測N台份白車身骨架時對小球進行檢測,通過小球的偏差不斷調整機器人的運行狀態。考慮到金屬材料的熱變量,這裏采用受熱基本上無變化的碳纖維材料的小球。
(2)標準車身的校正功能。事實上對於(yu) 衝(chong) 壓件、焊接件這類性質的工件,不可能製成一個(ge) 很精確的標準車身,所以一般需對激光測量控製係統輸入偏差數據作為(wei) 校正值。因此,可以將主模型進行三坐標檢測,兩(liang) 者比較後給激光測量控製係統一個(ge) 偏差值做為(wei) 校正值。
3. 車身控製點的循環檢測
從(cong) 成本考慮, 不可能使用過多的機器人進行檢測,由於(yu) 生產(chan) 節拍限製,單台機器人測不可能在單次檢測中做到全檢,但是可以對區域內(nei) 所有的檢測點分批次多次檢測,做到循環檢測,這樣不但可以對所有點做到100%檢測,還可以做到隨機抽樣的效果,更容易預測到故障發展趨勢,對於(yu) 關(guan) 鍵控製特征檢測點偏差數據也可以采用SPC分析出具體(ti) 的故障模式。
4. 檢測數據處理分析及預警係統
數據分析對下一步的生產(chan) 有重要作用。可以根據對已經檢測尺寸的總體(ti) 分析了解焊接過程中各環節的精度情況,可以從(cong) 誤差趨勢中預測下一步的焊接精度,以便及時調整焊接工藝,防止不合格品的出現。機器人檢測到數據後使用VECTOR軟件進行分析得出該車在車身坐標係中的實際測量差值為(wei) F1、F2、F3……Fn,然後將該車身在實測點的相對誤差值描繪在同一坐標下,就可以了解車身相關(guan) 的加工工藝的精度情況。
根據現場機器人激光檢測係統采集到的數據,以白車身上測點的采集數據為(wei) 例,說明數據庫中的數據在數據分析功能中的作用。抽取連續多點的測量數據,其理論值從(cong) 三坐標標準數據庫中調出“標準車”誤差數據。根據該車身在全部測點的誤差,用橫坐標表示測點編號,縱坐標表示相對理論值的誤差,繪成曲線圖。根據誤差線相對允許誤差範圍的偏離程度,可以分析加工器具的磨損狀況,若發現偏差持續很大,則係統終端計算機給輸出相關(guan) 指令,係統外置報警係統開始報警。
5. 機器人激光測量係統的柔性化發展
現代的汽車生產(chan) 汽車企業(ye) ,考慮到一線一車型成本較高,一般都多車性共線生產(chan) ,機器人激光檢測同樣存在相同問題,不可能檢測單一車型,因此在規劃生產(chan) 時盡量考慮到,機器人焊接及機器人激光檢測柔性化發展。
利用給滑橇 (存儲(chu) 端) 安裝存儲(chu) 有車型轉換程序的讀寫(xie) 頭及主線工位(讀取端)上安裝可以讀取車型轉換程序的讀寫(xie) 頭來給可編程控製器信號,控製器接收到信號後給機器人信號實現不同車型之間的轉換,從(cong) 而達到共線生產(chan) 是一種比較理想的生產(chan) 組織方式。同樣,機器人激光檢測係統也可以利用其生產(chan) 組織方式達到車型之間切換檢測的目的(見圖6)。
![]()
圖6 檢測柔性化
結論
相對於(yu) 檢具和三坐標測量機檢測功用,可以說機器人激光檢測係統完全可以取代之。可以采用輔助支架的方式,使用一台機器人激光測量係統,把需要測量的車身總成件放置到輔助支架上,就可以實現激光測量。激光測量係統的高智能、高精度和高效率的優(you) 點將是白車身總成和白車身上的分總成的測量技術的發展方向,必然是激光測量係統的運用代替大量的專(zhuan) 用檢具和三坐標測量機的測量趨勢。
轉載請注明出處。







相關文章
熱門資訊
精彩導讀



















關注我們

