摘 要:采用氣體(ti) 傳(chuan) 感器陣列采集氣體(ti) 信息,通過以AT89C51 和ADC0809 組成的核心單元進行數據采集和數據處理,以LED 顯示器顯示結果,實現了對多種氣體(ti) 的識別和檢測。
氣體(ti) 傳(chuan) 感器是一種能將氣體(ti) 種類及其與(yu) 濃度有關(guan) 的信息轉換成電氣信號的裝置。根據這些電氣信號的強弱就可以獲得與(yu) 待測氣體(ti) 在環境中存在情況有關(guan) 的信息,從(cong) 而可以進行檢測、監控、報警。因此由氣體(ti) 傳(chuan) 感器與(yu) 模式識別係統構成的智能化氣味識別儀(yi) 器有著廣泛的應用領域,如食品工業(ye) 、化學工業(ye) 、環境監測、醫學診斷、安全檢查等,越來越受到廣泛關(guan) 注。
傳(chuan) 統的氣體(ti) 檢測大多采用單氣體(ti) 檢測方式, 即每測量一種氣體(ti) 需要一種測量儀(yi) 表。用一種儀(yi) 器能夠進行多種氣體(ti) 的檢測和識別是氣體(ti) 檢測儀(yi) 的發展趨勢,而本設計采用酒精傳(chuan) 感器、甲烷傳(chuan) 感器、一氧化碳傳(chuan) 感器等多種氣體(ti) 傳(chuan) 感器組成傳(chuan) 感器陣列,通過傳(chuan) 感器陣列能把氣體(ti) 中的特定成分檢測出來,並將其轉化為(wei) 電信號,然後采用ADC0809 將傳(chuan) 感器輸出的模擬信號轉換為(wei) 數字信號,運用AT89C51 進行數據處理和計算,並通過LED 顯示氣體(ti) 種類和濃度信息,這樣就實現了對多種氣體(ti) 的定性識別和檢測。
1 硬件電路設計
本設計硬件電路由數據采集、數據轉換、數據處理、結果顯示和報警等部分組成,涉及的芯片有AD0809 模數轉換芯片、AT89C51單片機、SUN7474頻率發生器以及一些氣體(ti) 傳(chuan) 感器、驅動電路、複位電路和LED 顯示模塊。係統的功能框圖如圖1 所示。

圖1 係統功能框圖
1.1 氣體(ti) 傳(chuan) 感器陣列
氣體(ti) 傳(chuan) 感器陣列是電子嗅覺係統的關(guan) 鍵組成單元,相當於(yu) 初級嗅覺神經元,由具有廣譜響應特性、交叉靈敏度較大、對不同氣味/氣體(ti) 有不同靈敏度的氣敏元件組成。
氣體(ti) 傳(chuan) 感器是組成氣體(ti) 傳(chuan) 感器陣列的核心器件。氣體(ti) 傳(chuan) 感器是一種把氣體(ti) 中的特定成分檢測出來,並將其轉化為(wei) 電信號的器件。通常,氣體(ti) 傳(chuan) 感器陣列可以采用數個(ge) 單獨的氣體(ti) 傳(chuan) 感器組合而成,並采用集成工藝製作,體(ti) 積小,功耗低,便於(yu) 信號的集中采集與(yu) 處理。單個(ge) 氣體(ti) 傳(chuan) 感器與(yu) 傳(chuan) 敏陣列在特性上有質的區別,單個(ge) 氣體(ti) 傳(chuan) 感器對氣味/ 氣體(ti) 的響應可用強度來表示,而氣敏傳(chuan) 感器陣列除了各個(ge) 傳(chuan) 感器的響應外,在全部傳(chuan) 感器組成的多維空間中形成響應模式,在環境條件一定的情況下,陣列上的響應模式與(yu) 其激勵是一一對應的,而這正是該係統能對多種氣味和氣體(ti) 進行辨識的關(guan) 鍵所在。
本設計要求實現對酒精、甲烷、一氧化碳氣體(ti) 的定性和定量分析,首先最重要的工作是選擇合適的傳(chuan) 感器,通過對性能、可實現性、價(jia) 格等的對比,針對酒精氣體(ti) ,選擇的是MQ-303A酒精傳(chuan) 感器,針對甲烷氣體(ti) ,采用的是MQ-4 半導體(ti) 氣體(ti) 傳(chuan) 感器,針對一氧化碳氣體(ti) ,選擇的是V-40 一氧化碳傳(chuan) 感器,由這三種傳(chuan) 感器組成傳(chuan) 感器陣列。
該設計通過氣體(ti) 傳(chuan) 感器陣列采集氣體(ti) 信息,並將采集到的信息轉化為(wei) 電信號,然後送到ADC0809 進行模數轉換。
1.2 數據采集和數據處理係統
由氣體(ti) 傳(chuan) 感器陣列輸出的微弱電信號,經各自信號放大電路對信號進行預處理,使其轉換為(wei) O ~5V 範圍內(nei) 變化的直流信號,送到A/D 轉換電路變換為(wei) 數字信號,對其進行數據采集處理。
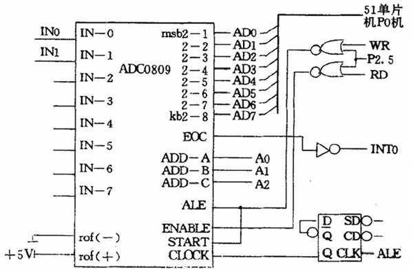
為(wei) 了方便與(yu) 89C51 單片機的連接,本係統選用ADC0809芯片對采集到的氣體(ti) 信息進行模數轉換。其分辨率為(wei) 8 位,不必進行零點和滿度調整,且具有高阻抗斬波穩定比較器,8個(ge) 通道的多路開關(guan) 可直接存取8 個(ge) 單端模擬信號中的一個(ge) 。利用單片機寫(xie) 啟動A / D 轉換器,轉換結束後再由ADC0809 向89C51 發出中斷請求信號,CPU 響應中斷請求。通過對譯碼器的讀操作,讀取轉換結果並送到被測量的相應存儲(chu) 區。再重新選擇被測量,並再次啟動A/D轉換後中斷返回。ADC0809與(yu) 單片機89C51 連線線路如圖2 所示。

圖2 ADC0809 與(yu) 89C51 的連線線路
微處理器采用的是AT89C51 芯片。
89C51 單片機是ATMEL、PHILIPS和SST等公司生產(chan) 的與(yu) 80C51 兼容的低功耗、高性能8 位單片機,具有比8031 更豐(feng) 富的硬件資源,特別是其內(nei) 部增加的閃速可電改寫(xie) 的存儲(chu) 器Flash ROM給單片機的開發及應用帶來了很大的方便,且芯片價(jia) 格非常便宜。在該係統中89C51 主要對采集數據進行處理,按各種氣體(ti) 濃度的數學模型計算出其濃度,由數碼管顯示其相應的氣體(ti) 種類及濃度值,當濃度超標時,進行報警。
該係統還采用了分頻器SUN7474.分頻器對脈衝(chong) 信號進行2的n次方分之一的分頻,例如把32768HZ 的脈衝(chong) 信號變成1HZ的秒信號。通常利用T觸發器實現,每來一個(ge) 脈衝(chong) 後觸發器狀態改變一次,經過n個(ge) T觸發器處理後就可以得到2的n次方分之一的分頻信號。89C51接12MHZ晶振,經ALE端後輸出到分頻器為(wei) 2MHZ,分頻器進行分頻後為(wei) ADC0809 提供所需的工作時鍾。
1.3 顯示電路
在該設計中,LED 顯示器的顯示方法采用動態顯示。LED 動態顯示的基本做法在於(yu) 分時輪流選通數碼管的公共端,使得各數碼管輪流導通,在選通相應LED後,即在顯示字段上得到顯示字形碼。這種方式不但能提高數碼管的發光效率,並且由於(yu) 各個(ge) 數碼管的字段線是並聯使用的,從(cong) 而大大簡化了硬件線路。本設計中處理結果采用4位LED顯示,首位顯示氣體(ti) 類別,後3 位顯示氣體(ti) 濃度。逐位輪流點亮各個(ge) LED,每一位保持1ms,在10~20ms 之內(nei) 再一次點亮,重複不止。這樣利用人的視覺停留,好像4 位LED 同時點亮一樣。
綜上可得,基於(yu) 單片機的多氣體(ti) 檢測係統的數據采集、數據處理及結果顯示電路如圖3。

圖3 多氣體(ti) 檢測係統電路
2 軟件設計
本設計由數據采集、數據轉換、數據處理、顯示和報警幾個(ge) 模塊組成。
主程序流程圖為(wei) 圖4。

圖4 主程序流程圖
AD0809 部分程序流程圖為(wei) 圖5。
#p#分頁標題#e#
圖5 AD0809 部分程序流程圖
顯示子程序流程圖如圖6。

圖6 顯示子程序流程圖
結語
本文介紹了進行多氣體(ti) 分析的電子嗅覺係統的硬件結構和軟件設計。在本設計中采用多傳(chuan) 感器組成傳(chuan) 感器陣列,可針對多種不同氣體(ti) 進行信息采集、信息轉換和數據處理,最後顯示氣體(ti) 種類和濃度信息,為(wei) 多種氣體(ti) 的檢測提供了一種切實可行的解決(jue) 方案。
轉載請注明出處。







相關文章
熱門資訊
精彩導讀



















關注我們

